Solutions for Materials Preparation, Testing & Analysis

Advanced Features.
Effortless Operation.



Your Equipment with Buehler's Preventative Maintenance Program



Engineered for versatility, Buehler epoxies perform across any application or sample type.
Metallography Preparation Equipment & Consumables
Sectioning & Cutting


Simple set up and time saving conveniences are core to Buehler’s sectioning products. Achieve high-quality cuts for any material. Buehler offers Abrasive Cutters, Precision Cutters, and a variety of metallurgical blades.
Mounting


Get the most from your mounting step with straightforward solutions for a variety of lab requirements. Choose from cold mounting (castable mounting) including epoxies and acrylics or hot mounting (compression mounting) including mounting presses and powders.
Grinding & Polishing


Whether a lab is looking to reduce rework, improve surface finish, or simplify effort for the technician, Buehler has your Grinding & Polishing solution. Buehler offers grinder and polisher machines, vibratory polishers, grinding paper, and a vaiety of other grinding and polishing consumables.
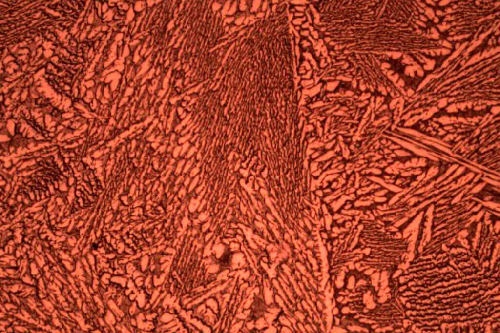
Etching


Buehler Electrolytic Etching provides a consistent method to reveal microstructures after metallographic grinding.
Metallography Image Analysis & Hardness Testing Equipment
Image & Analysis


OmniMet® Image & Analysis System offers seamless point & click possibilities. Simple to use and powerfully flexible. OmniMet combines analytical power with unprecedented ease.
Hardness Testing


Fully integrated systems remove the guess work from hardness testing with intuitive interfaces and software combined with test blocks that set the standard for repeatability. The Wilson® hardness tester product range includes Rockwell®, Knoop/Vickers, and Brinell hardness testers.

Metallography Solutions by Industry
Full Lab
Solutions to
Meet Industry Needs

About Buehler
Buehler is a global leader in metallography equipment and sample preparation solutions. Our metallography instruments include sectioning machines, mounting systems, grinders, polishers, image and analysis, etching and hardness testers — all designed for precision and repeatability. With decades of experience in metallographic analysis, Buehler provides expert guidance on selecting the right preparation method for your lab’s needs. Our metallography solutions support a wide range of applications, including quality control, research and development, production testing, and failure analysis across both metallic and nonmetallic materials.

Europe | EN

