On commencera le prépolissage avec l’abrasif le plus fin qui permette d’obtenir dès le départ une surface plane et d’éliminer en quelques minutes les effets du tronçonnage. Une taille de grains de 180-240 [P180-P280] est suffisamment grossière pour les surfaces tronçonnées avec une meule abrasive. Les surfaces tronçonnées à la scie à métaux ou à ruban, ainsi que les autres surfaces rugueuses demandent en général une granulométrie de l’ordre de 120-180 [P120-P180}. On utilisera des grains d’abrasif de plus en plus fins (taille progressivement décroissante, une ou deux à chaque nouvelle étape) au fil des opérations de prépolissage. Pour le prépolissage fin, une succession de papiers SiC de granulométries 240, 320, 400, et 600 [P280, P400, P800 and P1200] permettra d’obtenir de bons résultats. Une telle séquence sert à l’approche « classique ».
Comme pour le tronçonnage abrasif, toutes les étapes de prépolissage seront effectuées sous eau, pour autant que celle-ci n’endommage aucun composant de la microstructure. Le prépolissage sous eau minimise l’échauffement des échantillons et évite que la surface abrasive ne se charge de métal enlevé sur l’échantillon faisant l’objet de la préparation.
Bien qu’à l’origine d’une certaine déformation intrinsèque, chaque étape de prépolissage vise à éliminer les dommages laissés par l’étape précédente. La profondeur des dommages diminue avec la taille de l’abrasif – tout comme le taux d’enlèvement du métal. Une granulométrie donnée induira des dommages plus profonds sur les matériaux tendres que sur les matériaux durs.
Pour une préparation en mode automatique avec un support pour plusieurs échantillons, la première étape est désignée par le terme de prépolissage plan. Celle-ci vise à éliminer les dommages dus au tronçonnage tout en constituant un même plan sur tous les échantillons dans le support pour que l’effet soit identique sur tous lors des étapes suivantes. Si, pour cette première étape, on utilise généralement des papiers abrasifs au carbure de silicium et à l’alumine, très efficaces, il existe de nombreuses autres possibilités. L’une d’entre elles consiste à prépolir les échantillons avec une meule alumine classique ou une meule en carbure de silicium. Cette opération demande toutefois une machine spéciale, la vitesse de la meule devant être suffisamment élevée (≥ 1500 tr/min) pour être efficace. Afin de préserver sa planéité et de régénérer la surface abrasive pour assurer son efficacité, la meule doit être dressée régulièrement avec un barreau de dressage diamant.
D’autres matériaux servent également pour l’étape de prépolissage plan ou à la place du papier SiC sur les étapes suivantes. Pour les matériaux très durs comme les céramiques et les carbures frittés, on peut utiliser un ou plusieurs disques diamantés à liant métal ou résine (type classique) avec des granulométries d’environ 240 à 9 µm. Des particules de diamant sont réparties uniformément sur toute la surface de ces disques de type classique. Les disques Apex DGD et Apex DGD Color, avec une granulométrie de 320 à 0,5 µm, existent également en version disques abrasifs diamantés à liant résine pour des applications sur divers matériaux. Sur un autre type de disque, le disque UltraPrep, les particules diamantées sont appliquées par touches sur la surface du disque pour réduire la tension superficielle. Les disques UltraPrep à liant métal sont proposés en six tailles de diamant allant de 125 à 6 µm, les disques UltraPrep à liant résine existant eux en trois tailles de diamant entre 30 et 3 µm. Une fois les surfaces planes, plusieurs méthodes à une seule étape permettent d’éviter d’avoir recours aux papiers SiC plus fins : l’utilisation de plateaux, de draps épais en polyester tissé, de soie, ou encore de disques de prépolissage rigides. On utilise une taille intermédiaire de diamant, en général 9 à 3 µm, dans ces différents cas.
Abrasifs

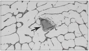
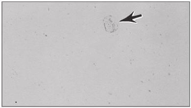
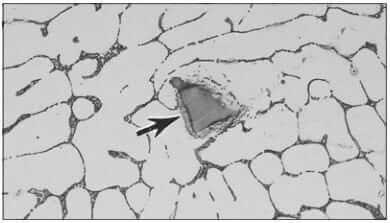
Le carbure de silicium (SiC), l’oxyde d’aluminium (Al2O3), l’émeri (Al2O3 – Fe3O4), les céramiques composites et le diamant sont les abrasifs couramment employés pour la préparation des matériaux. Peu efficace, le papier émeri intervient rarement dans la préparation des matériaux de nos jours. Le carbure de silicium est plus facile à obtenir sous forme de papier imperméable que l’oxyde d’aluminium. Ces abrasifs sont encollés sur du papier ou des matériaux polymères ou entoilés sous forme de disques et bandes de différentes tailles. Les meules ordinaires avec des abrasifs incorporés dans un liant ne sont que peu utilisées. Les abrasifs sont également disponibles sous forme de poudre dans une pâte ou suspension prémélangée, qui est appliquée sur les surfaces à prépolir. Les particules de SiC, en particulier dans les papiers à granulométrie plus fine, ont tendance à s’incruster lors du prépolissage de métaux tendres : Pb, Sn, Cd ou encore Bi (cf. Figure 3.1). Ce problème se rencontre également avec l’abrasif diamanté utilisé sur ces métaux tendres et sur l’aluminium, mais surtout avec les pâtes utilisées avec des draps tissés durs (cf. Figure 3.2).

Aux États-Unis, le papier au carbure de silicium est en général fabriqué conformément à la norme ANSI/CAMI (B74. 18-1996), tandis que la norme FEPA (43-GB-1984, R 1993) prédomine en Europe. Toutes deux appliquent les mêmes méthodes pour calibrer les abrasifs et les mêmes normes pour étalonner les instruments (tamisage pour les grains les plus gros, sédimentation pour les grains de taille intermédiaire (240-600 [P280-P1200]) et méthode de résistance électrique pour les granulométries très fines).
Si les systèmes de numérotation des granulométries diffèrent pour les tailles supérieures à 180 [P180], le Tableau 3.1 permet d’établir les équivalences de taille.
Le tableau ci-dessus présente les points médians pour les classes granulométriques du papier calibré ANSI/CAMI selon la norme ANSI B74.18-1996 et pour le papier calibré FEPA selon la norme FEPA 43-GB-1984 (R1993). La norme ANSI/CAMI mentionne des granulométries de papier SiC allant jusqu’à 600. Pour les papiers ANSI/CAMI à la granulométrie plus fine, les tailles des particules proviennent de la brochure CAMI, Abrasif enrobé (1996). Les granulométries *FEPA plus fines que P2500 ne sont pas standardisées et leur graduation est laissée à la discrétion du fabricant. En pratique, les valeurs standard ci-dessus sont purement indicatives, les différents fabricants pouvant se baser sur une gamme de tailles et des valeurs moyennes différentes.
Comme beaucoup d’autres, ces deux normes n’ont pas de caractère contraignant et les fabricants peuvent fabriquer certains de leurs papiers selon des granulométries autres que celles définies dans ces spécifications. Les deux systèmes reposent sur des philosophies différentes. La distribution granulométrique (centrée sur la médiane) des papiers ANSI/CAMI est plus étendue que celle des papiers FEPA. Avec une classe dimensionnelle plus étendue, l’effet de prépolissage se déploie plus rapidement à des pressions plus basses qu’avec une classe plus restreinte, réduisant ainsi le dégagement de chaleur et l’endommagement. Avec cette classe plus étendue, les profondeurs des rayures sont toutefois plus variées, mais l’étape suivante de la préparation doit permettre de les éliminer. Comme les dommages résiduels sur l’échantillon risquent de dissimuler à nos yeux la véritable microstructure au terme de la préparation, on veille davantage à limiter l’endommagement de la structure qu’à obtenir un bon état de surface lors d’une étape de prépolissage.
Équipements de prépolissage

Une prépolisseuse telle que la PlanarMet 300 (cf. Figure 3.3) utilise une meule fixe pour assurer un prépolissage rapide des échantillons. Ce type de prépolisseuse automatique permet d’obtenir la planéité en une à deux minutes seulement et remplace jusqu’à trois étapes de prépolissage classique. Ces machines disponibles en version de paillasse ou sur bâti emploient en général les mêmes porte-échantillons que les polisseuses afin de faciliter le passage à l’étape suivante. Les papiers avec un abrasif fixe, souvent utilisés par les étudiants, mais rarement par l’industrie, sont fournis en bandes ou en rouleaux. L’échantillon est frotté de haut en bas sur le papier. Pour préserver la planéité, il vaut en général mieux travailler dans un seul sens qu’en va-et-vient. Si cette méthode peut être appliquée à sec pour certains matériaux fragiles, on ajoute généralement de l’eau pour refroidir la surface de l’échantillon et évacuer les débris résultant du prépolissage.
Belt grinders are usually present in most laboratories. These types of devices use coarse abrasive papers from 60 [P60] to 240 [P280] grit, and are mainly used for removing burrs from sectioning, for rounding edges that need not be preserved for examination, for flattening cut surfaces to be macroetched, or for removing sectioning damage.

La plupart des laboratoires sont équipés de polisseuses à bandes. Ce type d’appareils utilise des papiers abrasifs grossiers d’une granulométrie de 60 [P60] à 240 [P280] et sert surtout à éliminer les barbes et les dommages dus au tronçonnage, à arrondir les bords qu’il n’est pas nécessaire de préserver pour l’examen ou à aplanir les surfaces tronçonnées devant faire l’objet d’une attaque macrographique.
Le rodage est une technique abrasive où les particules abrasives roulent librement sur la surface d’un disque support. Lors du rodage, de petites touches d’un abrasif dur comme le diamant ou le carbure de silicium sont déposées sur le disque. Les disques de rodage sont fabriqués avec de nombreux matériaux, le plus souvent la fonte et le plastique coulé. Le rodage permet d’obtenir une meilleure planéité que le prépolissage, mais n’enlève pas le métal de la même façon. De l’abrasif diamanté contenu dans un support – une pâte ou une suspension à base d’huile ou d’eau – est déposé sur des plateaux désignés par le terme de rodoirs. Les particules de diamant se déplacent d’abord sur la surface du rodoir (comme pour d’autres surfaces abrasives), mais ne tardent pas à s’incruster et à couper la surface, produisant des microcopeaux.
Polissage
On appelle polissage la ou les dernières étapes visant à obtenir une surface exempte de déformations, c’est-à-dire plane, et de rayures, appelée poli miroir. Une telle perfection est indispensable pour pouvoir observer la véritable microstructure pour l’interprétation, les essais ou l’analyse ultérieure, tant qualitative que quantitative.

La technique de polissage appliquée évitera d’introduire des artefacts : détériorations du métal (Figure 3.5), piqûres (Figure 3.6), entraînement d’inclusions, « queues de comète » (Figure 3.7), taches (Figure 3.8) ou relief (différences de hauteur entre différents composants, ou entre trous et composants) (Figures 3.9 et 3.10). Le polissage est habituellement réalisé en plusieurs étapes.
En général, le polissage grossier s’effectue avec des abrasifs diamantés de 6 ou 3 µm appliqués sur des draps tissés ou à fibres courtes. Les matériaux durs – aciers trempés à cœur, céramiques et carbures cémentés – peuvent nécessiter une étape supplémentaire d’intégrité. La première de ces étapes peut être suivie d’un polissage avec du diamant de 1 µm sur un drap tissé, tissé souple ou un velours. Un lubrifiant compatible sera utilisé avec parcimonie afin d’éviter toute surchauffe ou déformation de la surface.
Le polissage intermédiaire sera effectué avec le plus grand soin pour réduire au maximum la durée du polissage final. Le polissage manuel est généralement réalisé avec une meule tournante sur laquelle l’opérateur fait tourner l’échantillon dans le sens contraire à celui de la meule.


Polissage mécanique
Le terme « polissage mécanique » est souvent utilisé pour désigner les différentes opérations de polissage qui ont recours à des abrasifs fins sur un drap. Celui-ci peut être fixé sur un disque tournant ou sur un bol de polissage vibratoire. Depuis toujours, les draps sont tendus sur le disque et maintenus en place à l’aide d’une bride réglable sur le pourtour du plateau, ou au moyen d’un support autocollant – magnétique ou à forte adhérence – apposé au dos du drap. Le déplacement d’un drap tendu sous l’effet de la pression appliquée lors du polissage réduira son efficacité. L’utilisation d’une tête de polissage automatique risque de déchirer les draps tendus, surtout lors de la préparation d’échantillons non enrobés. Pour le polissage mécanique, les échantillons sont tenus à la main, maintenus dans un support ou simplement confinés dans la zone de polissage, comme dans le cas de la polisseuse VibroMet 2.


Polissage manuel
Si les draps de polissage et les abrasifs ont été améliorés, les techniques de polissage manuel appliquent toujours les principes de base définis de longue date :
- Déplacement de l’échantillon. Selon ses préférences, l’opérateur tient l’échantillon à une ou à deux mains et le fait tourner dans le sens contraire de la rotation du disque polisseur. Il fait en outre effectuer à l’échantillon un va-et-vient continu entre le centre et le bord du disque, assurant ainsi une répartition uniforme de l’abrasif et une usure homogène du drap de polissage. (Certains font légèrement pivoter leur poignet en déplaçant l’échantillon du centre au bord d’un côté du disque.) Après chaque étape, on fait pivoter l’échantillon de 45 à 90° pour éviter une abrasion unidirectionnelle.
- Pression pour le polissage. L’expérience permet de déterminer la pression à exercer. En général, on appuie fortement sur l’échantillon avec la main.
- Nettoyage et séchage. L’échantillon est nettoyé en le tamponnant avec une solution détergente liquide, il est ensuite rincé sous l’eau chaude, puis à l’éthanol et enfin séché à l’air chaud. Le nettoyage peut en général s’effectuer à l’alcool lorsque le support abrasif n’est pas soluble dans l’eau ou que l’échantillon ne supporte pas celle-ci. Les échantillons poreux ou fissurés peuvent nécessiter un nettoyage aux ultrasons.
- Propreté. Comme indiqué plus haut, on veillera scrupuleusement à garantir une propreté irréprochable tant pour l’échantillon, que pour les mains de l’utilisateur et l’équipement, afin d’éviter les problèmes de contamination.
Polissage automatique

De nombreux instruments permettent une forte automatisation du polissage mécanique – des appareils complexes, programmables, voire commandés par écran tactile, mais aussi des systèmes relativement simples (Figure 3.11). Ils assurent la préparation d’un seul à une demi-douzaine d’échantillons ou plus à la fois et peuvent être utilisés pour toutes les étapes de prépolissage et de polissage. Ces machines permettent à l’opérateur de préparer chaque jour de gros volumes en offrant une meilleure qualité que le polissage manuel et en réduisant le coût des consommables. La meilleure planéité et la meilleure préservation des bords sont obtenues avec les polisseuses automatiques.
Il existe deux méthodes de traitement des échantillons. Avec la pression centrale, chacun est fermement maintenu en place dans un porte-échantillons. Le support est pressé contre la surface de préparation, la force étant exercée sur l’ensemble du support. Cette méthode préserve le mieux les bords tout en offrant la meilleure planéité. En cas de mauvaise qualité des résultats après l’attaque, on replacera les échantillons dans le support et on recommencera toute la préparation. La plupart des techniciens se contentent de répéter la dernière étape à la main, puis de réaliser une attaque chimique sur l’échantillon.
Pour la seconde méthode, le porte-échantillons maintient les échantillons en place sans les serrer. La pression est exercée sur chacun d’entre eux par un piston, d’où le terme de « pression individuelle » qui désigne cette approche. Cette méthode permet d’examiner certains échantillons séparément lors de la préparation sans devoir ensuite rétablir la planéité de l’ensemble des échantillons dans le support à l’étape suivante, un avantage certain. Si les résultats de l’attaque sont jugés médiocres, on peut en outre remettre l’échantillon dans le support pour répéter la dernière étape, la planéité s’obtenant plutôt de façon individuelle que collective. Cette méthode présente toutefois un inconvénient : l’échantillon peut légèrement osciller, surtout s’il est trop haut, ce qui altère la préservation des bords et la planéité.
Draps de polissage
Un bon drap de polissage se doit de retenir les abrasifs, d’être résistant, exempt de substances étrangères susceptibles de rayer les surfaces et de produits chimiques de traitement (colorants ou produits d’encollage) qui pourraient réagir avec l’échantillon. Il existe de nombreux draps aux étoffes, tissages et longueurs de fibres variées pour le polissage des échantillons. Les draps tissés durs ou tissé souples sont recommandés pour le polissage grossier avec des composés abrasifs diamantés. Les draps tissés durs, moyens ou souples et occasionnellement un velours à poils longs sont utilisés pour le polissage final, une opération qui doit être rapide pour minimiser le relief. Le Tableau 3.2 présente les draps de polissage actuels avec leurs caractéristiques et leurs applications.
Abrasifs de polissage

Un ou plusieurs des abrasifs suivants sont en général utilisés pour le polissage : suspension diamantée, d’oxyde d’aluminium (Al2O3) et de silice colloïdale amorphe (SiO2). Pour certains matériaux, on peut employer de l’oxyde de cérium, de chrome, de magnésium ou de fer, bien que ceux-ci fin [il manque quelque chose] des années 1920, comme Hoyt [7] relate une visite de l’usine Carboloy à West Lynn, dans le Massachusetts, où il voit polir des roulements en saphir avec de la poudre de diamant dans un support huileux. Il se sert de cette substance pour la préparation de carbures frittés et publie ses travaux en 1930. Les abrasifs diamantés sont d’abord proposés dans une pâte et plus tard sous forme d’aérosol et de suspension. Au début, il s’agit de diamant brut naturel, qui est encore utilisé aujourd’hui dans la pâte diamantée MetaDi. Le diamant synthétique apparaît plus tard, d’abord de type monocristallin, avec une morphologie qui rappelle le diamant naturel, puis polycristallin. Les pâtes diamantées MetaDi II et les suspensions diamantées MetaDi contiennent du diamant monocristallin synthétique, tandis que les suspensions MetaDi Supreme et les pâtes MetaDi Ultra utilisent des diamants polycristallins synthétiques. La Figure 3.13 montre les différences de forme entre les diamants monocristallins et polycristallins. Des études ont démontré que sur de nombreux matériaux, le diamant polycristallin permet un taux d’enlèvement de matière supérieur au diamant monocristallin.

La silice colloïdale a d’abord été utilisée pour polir des galettes de silicium monocristallin où tous les dommages devaient être éliminés de la surface pour pouvoir y coller une unité. Il s’agit de silice amorphe et d’une solution avec un pH basique d’environ 10. Les particules de silice ont une forme presque sphérique (cf. Figure 3.14), le polissage est lent, dû à une action à la fois chimique et mécanique. Lors du polissage final, la silice colloïdale permet d’obtenir plus facilement des surfaces exemptes de dommages que d’autres abrasifs. L’effet des réactifs d’attaque peut varier sur les surfaces polies avec de la silice colloïdale. Ainsi, un réactif d’attaque qui met en évidence les grains après un polissage à l’alumine peut révéler les joints de grains et de macle avec une attaque « plane » lorsque le polissage a été effectué à la silice colloïdale. Les réactifs colorants réagissent souvent mieux à la silice colloïdale, créant une gamme de couleurs plus agréable et une image plus nette. Par contre, l’échantillon est plus difficile à nettoyer. Pour une préparation manuelle, utilisez un morceau de coton imbibé de solution détergente. Pour les systèmes automatiques, arrêtez d’ajouter de la suspension 10 à 15 secondes avant la fin du cycle et rincez la surface du drap à l’eau courante les 10 dernières secondes, ce qui facilitera le nettoyage. Si on la laisse s’évaporer, la silice amorphe cristallisera et raiera les échantillons, ce qu’il convient d’éviter. Lorsque vous ouvrez une bouteille, enlevez les particules cristallisées qui se trouvent éventuellement autour de l’ouverture. Pour être tout à fait sûr, filtrez la suspension avant de l’utiliser. Des additifs permettent de minimiser la cristallisation par effet retardateur, comme dans le cas de MasterMet 2 Silice Colloïdale.
Pour les examens de routine, un abrasif diamanté fin de 1 µm par exemple peut convenir pour la dernière étape de préparation. Les fines poudres et suspensions aqueuses d’alumine, telles les poudres et suspensions d’alumine désagglomérée MicroPolish II, sont généralement utilisées pour le polissage final avec des draps à fibres moyennes. Les pâtes (ou suspensions) d’alpha-alumine (taille : 0,3 µm) et de gamma-alumine (taille : 0,05 µm) servent fréquemment pour le polissage final, en séquence ou de façon individuelle. L’alumine contenue dans la suspension MasterPrep est fabriquée par procédé sol-gel et permet d’obtenir une meilleure finition de la surface que les abrasifs d’alumine issus du procédé classique de calcination. Les alumines calcinées ont toujours tendance à s’agglomérer, quels que soient les efforts pour les désagglomérer, un problème que ne pose pas l’alumine sol-gel. Les suspensions MasterMet Silice Colloïdale (pH d’environ 10) sont des abrasifs plus récents pour le polissage final. Leur double action, mécanique et chimique, est particulièrement utile pour les matériaux difficiles à préparer. Les polisseuses par vibrations (cf. Figure 3.15) sont souvent utilisées pour le polissage final, surtout sur les matériaux plus difficiles à préparer, pour les analyses d’images ou les publications de travaux.
Polissage vibratoire

Tout comme le polissage électrolytique, le polissage vibratoire assure une excellente finition de la surface sans déformation et avec un minimum de difficulté. Le polissage vibratoire présente toutefois un avantage par rapport au polissage électrolytique : il ne nécessite pas de produits chimiques dangereux et convient pour tous les matériaux et mélanges de matériaux. La polisseuse VibroMet 2 produit un mouvement vibratoire haute fréquence d’amplitude variable, pratiquement 100 % horizontal et sans mouvement vertical. Le polissage révèle une surface déstressée. Les échantillons présentent une excellente finition et des bords parfaitement nets après quelques minutes à quelques heures de polissage sans la moindre intervention.

Le polissage est en général réalisé avec des pâtes de diamant fin ou des suspensions d’oxydes comme MasterMet, MasterPrep ou MicroPolish. Le polissage vibratoire est la formule idéale pour la préparation des matériaux fragiles ou ductiles. Les échantillons polis de la sorte se prêtent particulièrement aux analyses de haute précision, telles la diffraction d’électrons rétrodiffusés (EBSD) ou les essais de dureté à nanoindentation. Ces techniques sont extrêmement sensibles aux moindres déformations de la surface, que les méthodes de préparation habituelles ne permettent généralement pas d’observer directement. Le Tableau 3.3 montre l’amélioration du contraste des bandes de diffraction après une étape de polissage vibratoire. La Figure 3.18 présente un acier ferritique ayant fait l’objet d’un tel polissage.
Méthode de préparation

Avant le polissage vibratoire, les échantillons doivent être préparés correctement en appliquant les méthodes décrites dans le présent manuel, y compris pour le polissage final. Cette technique requiert impérativement une préparation d’une qualité irréprochable. Comme expliqué précédemment, le polissage vibratoire s’effectue exclusivement avec des suspensions de diamant fin ou d’oxydes généralement entre 1 et 0,02 micron.

As a recommendation, use the same polishing suspension as in the final stage of the standard mechanical preparation method. If the process uses a chemical additive such as hydrogen peroxide or other etchants, the addition will be optional on the VibroMet 2. Vibratory polishing is typically carried out without any additional chemical additives. The suspension should be sufficiently dispersed on the polishing cloth, and when using oxide suspensions particular care should be taken to ensure that the polishing cloth remains well moistened throughout the polishing cycle. If this is not done, then some polishing suspensions can crystallize. A popular compound for vibratory polishing is MasterMet 2 – a 0.02µm colloidal silica suspension that contains an additive to prevent crystallization.


Le support de polissage sera de type velours ou feutré (tel MicroFloc, MicroCloth, MasterTex ou VelTex) : en facilitant le déplacement de l’échantillon sur le plateau, les fibres de ce type de draps contribuent à assurer un polissage uniforme.
La pression sur les échantillons est due à la gravité ou est obtenue en ajoutant des masselottes. Les échantillons seront suffisamment rigides et devront en général avoir un poids total minimum de 0,4 kg. En deçà, ils risquent de se corroder ou de se ternir lors du polissage.
En raison des nombreux facteurs intervenant, la durée du polissage vibratoire n’est régie par aucune règle fixe. L’un des principaux paramètres, l’amplitude, peut être modulé sur l’unité, modifiant l’intensité des vibrations et influençant directement la durée du polissage. Pour les matériaux neufs ou inconnus, la durée peut être déterminée de manière empirique. Avec des conditions adéquates, moins de 30 minutes de polissage vibratoire suffisent en général pour permettre une amélioration notable. Les échantillons peuvent alors être examinés sous un microscope optique ou électronique à balayage. Si la qualité du polissage est encore insuffisante, le cycle peut être répété ou les conditions modifiées.
Polissage et attaque électrolytique


Le polissage et l’attaque électrolytiques s’effectuent en créant dans un électrolyte un circuit électrique où l’échantillon fait office d’anode. L’application de courant déclenche une réaction chimique d’oxydation sur celle-ci, dissolvant le métal à la surface de l’échantillon aux points de contact avec l’électrolyte.
Les paramètres à l’origine de telles réactions peuvent considérablement influencer leur résultat. Il s’agit de :
- Current density (related to the area to be polished)
- la densité du courant (par rapport à la zone à polir)
- la tension
- la durée
- la composition, la viscosité et la température de l’électrolyte
- le mouvement de l’électrolyte (« renouvellement » de l’électrolyte dans la zone de la réaction)
Le schéma à la Figure 3.21 montre le rapport entre la densité du courant et la tension dans une cellule de polissage. À basse tension, la dissolution rapide du métal engendrera une attaque, différentes zones du matériau étant enlevées à des vitesses différentes.

Lors d’une augmentation de la tension, les processus de passivation modifient la nature de la réaction, générant un effet de polissage. Dans ce cas, les pointes à la surface se dissolvent en premier, rendant la surface plus lisse au niveau microscopique. Comme il s’agit d’un effet purement chimique, l’opération ne s’accompagne pas de dommages mécaniques. Les surfaces polies par électrolyse sont dès lors idéales pour les examens qui ne tolèrent pas la moindre déformation superficielle.
Une nouvelle augmentation de la tension entraînera une décomposition de la couche de passivation et un dégagement d’oxygène, provoquant des piqûres sur la surface de l’échantillon.

Le polissage et l’attaque électrolytiques sont des méthodes rapides et efficaces, leur application correcte assurant en outre une grande reproductibilité. Depuis toujours en métallographie, le polissage électrolytique s’utilise surtout pour l’examen des matériaux difficiles à polir et à attaquer avec des réactifs d’attaque chimique, comme les superalliages et l’acier inoxydable – bien que les matériaux tendres s’y prêtent aussi parfaitement, une qualité irréprochable étant parfois difficile à obtenir avec le polissage mécanique. Depuis quelques années, la métallographie a de plus en plus recours à cette méthode en raison des exigences croissantes pour les analyses cristallographiques de type EBSD et les essais de caractérisation des surfaces comme les essais de dureté par nanoindentation, qui nécessitent tous deux une surface sans déformation pour donner les meilleurs résultats.
Une bonne maîtrise des conditions est impérative pour optimiser la reproductibilité du polissage et de l’attaque électrolytique. La solution : un équipement spécial comprenant un bloc d’alimentation de qualité et une cellule de polissage ou d’attaque qui gère efficacement le mouvement de l’électrolyte et la zone de l’échantillon. La Figure 3.24 montre une telle cellule. L’opération pouvant s’accompagner d’un dégagement de chaleur, on utilisera de préférence un équipement doté d’un régulateur thermique et d’un refroidissement de l’électrolyte intégrés.

L’acide perchlorique compte parmi les produits chimiques couramment utilisés pour le polissage électrolytique ; des températures élevées (>38 °C) ou de fortes concentrations, parfois dues à une évaporation excessive, peuvent contribuer à son instabilité. Évitez tout contact entre l’acide perchlorique et les matières organiques, telles que les résines d’enrobage à chaud, pour empêcher la formation et l’accumulation de perchlorates instables dans l’électrolyte.
Séquence typique pour le polissage électrolytique de matériaux ferritiques :
- Étape 1 : prépolissage au papier SiC à granulométrie 400 [P800] et 600 [P1200] sur une prépolisseuse (60 sec. chacune)
- Étape 2 : polissage électrolytique sur le système d’électropolissage ElectroMet 4 (Figure 3.25), à 30 V CC pendant 60 secondes
Les surfaces ayant fait l’objet d’un polissage électrolytique présentent parfois des ondulations, ce qui posera problème pour les forts grossissements. Le polissage électrolytique tend à arrondir les bords ou les pores et à éliminer les inclusions non métalliques. Les alliages à deux phases ou plus sont plus difficiles à polir, car les phases seront attaquées en priorité. Le polissage électrolytique n’est donc pas recommandé pour l’analyse des défauts, mais peut être utilisé quelques secondes comme étape de polissage final pour enlever les dernières déformations.
Anodisation
L’anodisation est apparentée au polissage et à l’attaque électrolytiques, puisque l’échantillon fait office d’anode dans le circuit électrique. L’opération vise ici toutefois à former une couche d’oxyde sur la surface. Observée sous la lumière polarisée, cette couche engendrera des effets d’interférence pouvant créer un contraste et une couleur entre les phases ou les orientations cristallographiques. Cette méthode est surtout utilisée sur les alliages d’aluminium, mais aussi sur d’autres matériaux tels que les alliages de titane et de zirconium.
Conseils utiles pour le prépolissage et le polissage
Les échantillons présentant des fissures ou des porosités qui ne sont pas remplies de résine époxy peuvent nécessiter un nettoyage aux ultrasons pour en éliminer l’abrasif et les débris afin d’éviter toute contamination à l’étape suivante.
Des vibrations excessives lors du nettoyage aux ultrasons risquent d’endommager la structure de certains métaux et alliages tendres, en particulier les métaux précieux.
Pour enlever un drap qui adhère fortement, faites-le tremper quelques minutes dans de l’eau très chaude. Ou appliquez de l’agent de démoulage sur le plateau avant d’y poser un nouveau drap.
Informations complémentaires
Pour en savoir plus, consultez les informations sur nos prépolisseuses et polisseuses ainsi que le Guide SumMet de Buehler.









